Power Steering
Small Block Chevy
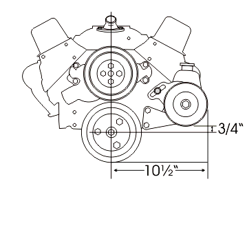
Power Steering Pump BracketThis bracket is designed for the Chevrolet Saginaw non-metric power steering pump with the attached reservoir. Allows clearance for the alternator belt no matter where the alternator is mounted. These pumps were used on most Chevrolet applications with short and long water pumps until the early 1980's. Short water pump applications are normally driven off an add-on third crankshaft pulley. These pulleys are available from Chevrolet under Part Number 3751232 or from us. (Short Water Pump Only) |
![]()
Rear View - 400L |
Type 2 Remote Reservoir PumpThis bracket is designed to be used with the metric G.M. remote reservoir type 2 pump. Designed for street rod applications, it sits high enough to clear most chassis parts and steering gears. WILL NOT WORK WITH LOW PROFILE BRACKETS. Pump is driven off the outer groove of a 3 groove crank pulley. Pump uses an aluminum V-belt pulley available from us or other street rod suppliers. (Short Water Pump only). |
![]() |
Type 2 Remote Reservoir PumpThis bracket is designed to be used with the metric G.M. remote reservoir type 2 pump. Designed for low profile bracket applications, it provides clearance for alternator belt no matter where the alternator is mounted. Pump is driven off the outer groove of a 3 groove crank pulley. Pump uses an aluminum V-belt pulley available from us or other street rod suppliers. (Short Water Pump only). |
![]() |
Power Steering Pump & Motor Mounting BracketThis combination front motor mount and power steering pump bracket is designed specifically for 55-57 Chevy passenger cars and 55-59 trucks. Designed for use with the non-metric Chevrolet Saginaw power steering pumps with attached reservoir and short water pump, this bracket allows clearance for the alternator belt no matter where the alternator is mounted. It directly replaces the original driver's side motor mount bracket and will work with the large 8 in. balancer. Requires the use of a 1958 or later block with the side motor mount bosses. Not for use on vehicles that have been converted to side motor mounts. (Short Water Pump Only) |
![]() Rear View - 404L |
Power Steering Pump BracketThis bracket bolts to the front of the block and water pump boss. Mounts the pump in approximately the same position as the factory bracket without using the head or exhaust bolt holes. (Long Water Pump Only). |
![]() |
Type 2 Remote Reservoir PumpThis bracket is designed to be used with the metric G.M. remote reservoir type 2 pump. Designed for street rod applications, it sits high enough to clear most chassis parts and steering gears. WILL NOT WORK WITH LOW PROFILE BRACKETS. Pump is driven off the inner groove of a 3 groove crank pulley. Pump uses an aluminum V-belt pulley available from us or other street rod suppliers. (long water pump only). |
![]() |
Big Block Chevy
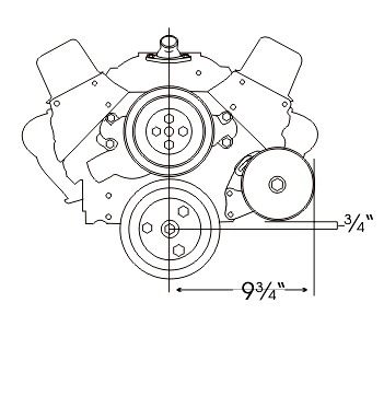
Power Steering Pump BracketThis Big Block bracket is designed for the Chevrolet Saginaw non - metric power steering pumps with the attached reservoir. They allow clearance for the alternator belt no matter where the alternator is mounted. These pumps were used on most Chevrolet applications with short and long water pumps until the early 1980's. Short water pump applications are normally driven off an add - on third crankshaft pulley. These pulleys are available from Chevrolet under Part Number 3751232 or from us.(Short Water Pump Only). |
![]() Rear View - 403L |
|
Type 2 Remote Reservoir Pump
This bracket is designed to be used with the metric G.M. remote reservoir type 2 pump. Designed for street rod applications, it sits high enough to clear most chassis parts and steering gears. WILL NOT WORK WITH LOW PROFILE BRACKETS. Pump is driven off the outer groove of a 3 groove crank pulley. Pump uses an aluminum V-belt pulley available from us or other street rod suppliers. (Short Water Pump only). |
![]() |
Type 2 Remote Reservoir PumpThis bracket is designed to be used with the metric G.M. remote reservoir type 2 pump. Designed for low profile bracket applications, it provides clearance for alternator belt no matter where the alternator is mounted. Pump is driven off the outer groove of a 3 groove crank pulley. Pump uses an aluminum V-belt pulley available from us or other street rod suppliers. (Short Water Pump only). |
![]() |
This bracket bolts to the front of the block and water pump boss. Mounts the pump in approximately the same position as the factory bracket. Provides clearance for steering gears, etc. (Long Water Pump Only). |
![]() |
Type 2 Remote Reservoir PumpThis bracket is designed to be used with the metric G.M. remote reservoir type 2 pump. Designed for street rod applications, it sits high enough to clear most chassis parts and steering gears. WILL NOT WORK WITH LOW PROFILE BRACKETS. Pump is driven off the inner groove of a 3 groove crank pulley. Pump uses an aluminum V-belt pulley available from us or other street rod suppliers. (Long Water Pump only). |
![]() |
Type 2 Remote Reservoir PumpThis bracket is designed to be used with the metric G.M. remote reservoir type 2 pump. Designed for low profile bracket applications, it provides clearance for alternator belt no matter where the alternator is mounted. Pump is driven off the inner groove of a 3 groove crank pulley. Pump uses an aluminum V-belt pulley available from us or other street rod suppliers. (Long Water Pump only). |
![]() |










